服务项目
与河北唐山某企业签订钛材内回流比控制器合同
发布日期:2021-12-31
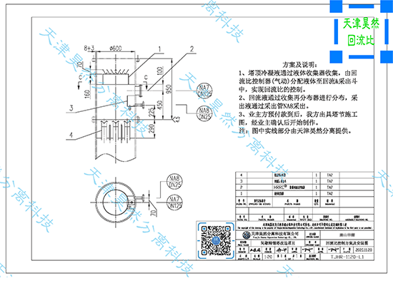
T102间歇精馏塔改造用内回流比控制器要求
技术参数:
内置式;介质:苯甲酸/苯酐等;材质:TA2;
额定流量:1.0m³/h;操作温度:150~205℃;操作压力:10kPa(A);
回流比:R=0.5~15,全回流;带控制面板,并防爆(防爆等级:BT6);
液体密度为≈1091~1150Kg/m³;粘度为≈0.40~0.54cP;
该回流比分配器液体采出口为DN25mm。
我方设计出图及提供全套装置(包括塔内件)




分享到:


